



油炸线高温热油泵
1.高温热油泵简介:
高温热油泵是开式叶轮不锈钢高温介质移送循环离心泵,产品采用开式叶轮设计,具有 外观精致、抗杂质、水利性能优越、耐高温等技术特点,广泛应用于食品油炸、化工等行业。
2.高温热油泵应用领域:
模具控温、辊轮控温、反应釜夹套控温、冷凝水回收、食品设备、清洗设备等行业。
3.高温热油泵图片:

4.高温热油泵材质:
序号 | 泵浦材质 | |
01 | 泵体 | SUS304 |
02 | 轴芯材质 | SUS304 |
03 | 叶轮 | SUS304 |
04 | 密封材质 | 碳化硅或合金+石墨+高温橡胶 |
05 | 电机绝缘等级 | F级 |
06 | 防护等级 | IP54 |
5.高温热油泵分解图:

6.高温热油泵使用条件:
高温热水 | 高温导热油 | 乙二醇 | 工作环境温度 | 最高海拔 | 最大工作压力 |
+5℃-+160℃ | +5℃-+200℃ | -30℃-+180℃ | -5℃-+40℃ | 1000m | 10bar |
7.高温热油泵规格性能参数:
型号 | 口径 | 电机 | 性能参数 | 泵浦 自重 kg | ||||||
进口 | 出口 | 功率 kw | 匹数 Hp | 电压 | 频率 Hz | 转速 rpm | 最高扬程 M | 最大/使用流量L/Min | ||
RGP-30K | DN50 | DN32 | 2.2 | 3 | 3Ø-380v | 50 | 2760 | 30 | 300/200 | 27.5 |
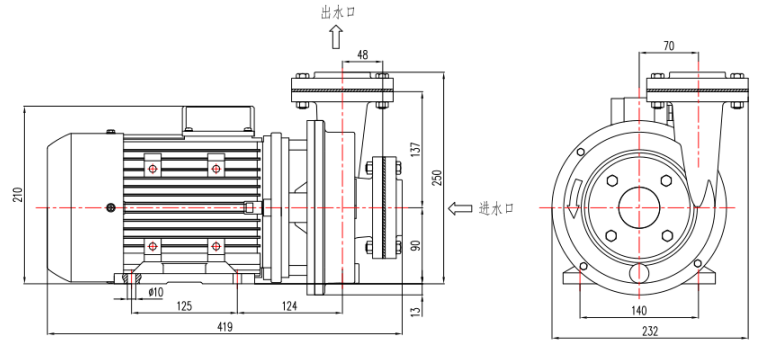
8.高温热油泵安装尺寸图:

9.高温热油泵性能曲线图:

测试基础:
上述性能曲线对应于水在20℃时以正常速度运输。扬程和流量的误差是±10%,性能误差±10%。泵的性能随输送流体介质的比重及密度的不同而产生变化。
Copyright © 昆山奥兰克泵业制造有限公司地址:江苏省昆山市城北五联路228号 备案号:苏ICP备08105564号-12技术支持:华夕网络[华夕建站]
管理员
该内容暂无评论